Корзина пуста
Teledyne LeCroy представляет MDA800 - анализатор мощности электроприводов и асинхронных двигателей
Компания Teledyne LeCroy анонсировала выпуск и начало поставок совершенно нового продукта на базе цифрового осциллографа
Новинка представляет собой устройство «2 в 1»: объединение цифрового запоминающего осциллографа и анализатора электрической мощности в одном приборе. Анализатор двигателей
Новая серия
- Обеспечено соотношение точности измерений мощности, напряжения и тока ~ 1%.
- Учтена необходимость функции фильтрации гармоник, которая добавлена в конечную версию продукта.
- Внедрена уникальная функция Zoom+Gate (Масштабирование + Измерение в диапазоне).
- Доработка интерфейса проведена с учетом пожеланий пользователей.
В ходе бета-тестирования серии
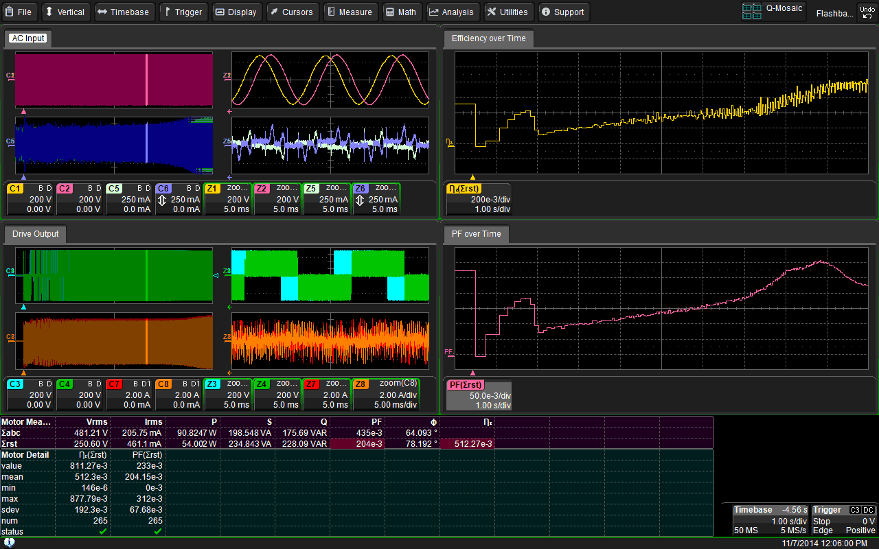
- Обеспечение функции измерения «статических» (установившихся) параметров на интервалах коротких выборок с отображением результатов в таблице данных (точно так же, как и в обычных измерителях мощности и анализаторах ПКЭ).
- Обеспечение функции измерения «динамических» (переходных) параметров в каждом периоде интерполируемых сигналов, наглядно отображающих процесс изменения параметров в течении длительного времени (уникальная функция).
- В полном объеме реализованы осциллографические функции, обеспечивающие полный цикл отладки и анализа различных приводов, включая системы управления встроенных приводов и силовые блоки (уникальная функция).
Новый продукт создан на платформе цифровых многоканальных осциллографов высокого разрешения серии
- Для MDA800 было специально разработано программное обеспечение не имеющее аналогов. Софт позволяет проводить анализ 3-фазных систем и интегрированных электромеханических приводов.
- Реализованы новые возможности отображения: 12 режимов XY-отображения, 8 вариантов координатной сетки на экране.
Внимание! Отсутствие ошибок и опечаток не гарантируется. В технические характеристики средств измерений неутвержденного типа производителем могут быть внесены изменения без предварительного уведомления. Соответствие важных параметров требует уточнения. Полные технические характеристики предоставляются по отдельному запросу. Нашли ошибку? Выделите мышкой и нажмите Ctrl+Enter.




