Корзина пуста
Новый измеритель токов утечки GLC-710000
Измеритель токов утечки GLC-710000 поддерживает тестирование широкого перечня изделий и устройств, начиная с обычного электрооборудования общего назначения и заканчивая узко специализированным медицинским электрооборудованием в соответствии с утвержденными стандартами.
Базовые возможности и функции GLC-710000:
- Тестер предназначен для измерений тока утечки в медицинской и общей электротехнике
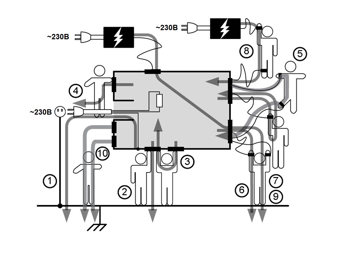
- 12 измерительных схем моделирования различных цепей сопротивления человеческого тела (включая IEC 60601-1:2020 версия 3.2)
- Измерение максимально допустимого тока утечки до 50 мА
- Терминал Ext +/- для расширения возможности внешней конфигурации (порт MD)
- Терминал MD OUT для подключения осциллографа или вольтметра с целью сравнения осциллограмм (значения напряжения)
- Внутренняя память на 30 профилей, запись / вызов данных измерений до 1000 результатов
- Экспорт /импорт параметров теста через USB, хранение данных измерений/ захват экрана на внешний USB-носитель
- Сенсорный цветной ЖК-дисплей (TFT, диагональ 18 см)
- Стандартные интерфейсы: RS-232C, USB (Host & Device), LAN, Signal I/O (ввод/вывод), опция - GPIB
Спецификации и функционал включает необходимые типы измерительных схем, широкий диапазон номиналов измерения тока различных форм в соответствии с требованиями действующих нормативных документов. Предусмотрена возможность выбора питающей розетки подключения ИУ на передней панели (до 10 А) или на задней панели (до 20 А) для измерения токов утечки в зависимости от потребляемого тока ИУ.
Конструкцией измерителя предусмотрена клеммная колодка MD (EXT+/EXT-) для внешнего конфигурирования измерительной схемы по условиям испытаний. Используя контакты соединительной колодки оператор может смоделировать до 12 импедансных схем для измерения тока утечки в соответствии с требованиями стандартов безопасности.
Измеритель GLC-710000 оснащен сенсорным TFT ЖК-экраном (диаг. 18 см), что позволяет на ЖК-дисплее одновременно отображать информацию о настройке и результат испытаний.
Предусмотрен режим «Meter» в котором измерительные гнезда P1/P2 используются для измерения напряжения, как это делает обычный вольтметр. Данная функция позволяет измерять различные типы напряжений: переменного/ постоянного тока, переменного + постоянного тока и пиковое напряжение переменного тока (AC, DC, AC+DC и AC peak). В стандартном исполнении прибор имеет интерфейсы RS-232C, USB, LAN, порт ввода/вывода (Remote I/O). Для удовлетворения потребностей в программировании, сборе данных и управлении системой предусмотрен опциональный порт GPIB (съемная карта).
| 1 | Ток утечки на землю / Earth Leakage Current |
Определяет токи, которые протекают по защитному заземляющему проводу на «землю». (Медицинское оборудование, ЭУ общего назначения) |
| 2 - 4 |
Ток утечки на корпусе (прикосновения) / Enclosure Leakage Current (Touch) |
Определяет ток, протекающий через тело человека при контакте с корпусом устройства, и включает три сценария: «корпус – земля» №2, «корпус – корпус» №3 и «корпус – линия питания» №4. (Медицинское оборудование, ЭУ общего назначения) |
| 5 | Вспомогательный ток пациента / Patient Auxiliary Current | Определяет ток, протекающий через элементы медицинского оборудования, которые приложены к телу пациента (электроды, зонды). |
| 6 |
Подключение к пациенту–ток утечки на землю / Patient Leakage Current |
Относится к току утечки, который течет через элемент медицинского оборудования, приложенный к телу; пациента по цепи стекания «на землю». Также определяет ток утечки пациента тип I (MD-F 1995). |
| 7 |
Внешнее напряжение в цепях утечки «SIP-SOP» / Patient Leakage Current II |
Определяет ток, который течет через элемент приложенный к человеческому телу на «землю» на участке «Вход/ Выход» линии электропитания медицинского оборудования. Также определяет ток утечки пациента тип II (MD-F ;1995). |
| 8 |
Внешнее напряжение в цепи тока утечки электрода F-типа / Patient Leakage Current III |
Определяет ток неисправного медоборудования, протекающий через элемент прикладываемый к телу человека и цепь электрода F-типа. Также определяет ток утечки пациента тип III ( MD-F 1995) |
| 9 |
Внешнее напряжение в цепи тока утечки электрода; F-типа / Patient Leakage Current III |
Определяет ток, протекающий через доступные для прикосновения металлические части медоборудования, не имеющего защитного заземления через электрод приложенный к телу человека и далее по цепи стекания на «землю». |
| 10 |
Общий ток утечки пациента / Total Patient Leakage Current |
Определяет ток, представляющий собой сумму всех токов утечки к/от нескольких идентичных элементов медоборудования, подключенных к пациенту (например, в цепи «Пациент – Земля») |
Технические возможности, реализованные в GLC-710000, делают тестер профессиональным инструментом для анализа тока утечки на современном рынке подобного типа измерительного оборудования. По совокупности своих параметров и функциональности измеритель позиционируется как замена таким конкурентным моделям, как Hioki 3156 и Extech 7611/ 7623, Hioki ST 5540 / 5541.
Внимание! Отсутствие ошибок и опечаток не гарантируется. В технические характеристики средств измерений неутвержденного типа производителем могут быть внесены изменения без предварительного уведомления. Соответствие важных параметров требует уточнения. Полные технические характеристики предоставляются по отдельному запросу. Нашли ошибку? Выделите мышкой и нажмите Ctrl+Enter.

