Корзина пуста
Модуль сбора данных SAM40
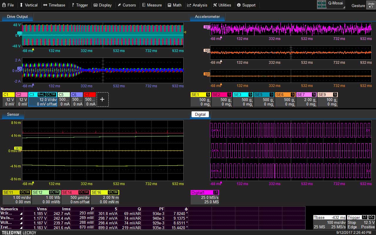
Компания Teledyne LeCroy представила многоканальный модуль сбора данных с различного типа датчиков SAM40. Этот модуль сбора идеально подходит для отладки и анализа встроенных систем, электромеханических и мехатронных устройств, медицинских приборов, двигателей и приводов, интернета вещей (IoT), и других приложений. Модуль SAM40 предназначен для совместной работы с 12-битными осциллографами высокого разрешения серии HDO.
Модуль SAM40 выпускается в трех модификациях: SAM40-8, SAM40-16, SAM40-24, на 8, 16 и 24 канала соответственно. Любой 12-битный осциллограф высокого разрешения серии HDO вместе с модуль SAM40 становится идеальной многоканальной системой для различных видов физических измерений.
Краткие технические характеристики SAM40
| Полоса пропускания | 40 кГц |
| Кол-во каналов | 8, 16, или 24 |
| Память | 2,5 Мб / канал |
| Частота дискретизации | 100 кГц |
| Разрешение по вертикали | 24 бит |
Легкость интеграции
SAM40 соединяется с управляющим осциллографом кабелем USB 2.0. Устанавливать на осциллограф дополнительное программное обеспечение не требуется.
Работа с более чем 65 видами датчиков
После подключения к осциллографу появляется возможность анализировать информацию, поступающую с различных типов датчиков – датчиков температуры, влажности, перемещения, давления, напряжения, силы тока и других. Осциллограф может автоматически конвертировать данные с датчиков в необходимые единицы измерения.
Варианты систем
Весь развитый математический аппарат осциллографов Teledyne LeCroy может быть применен к собранным с низкочастотных каналов данным.
Инженеры обычно используют несколько инструментов для отладки и проверки сложных встроенных систем управления, мехатроники и электромеханических систем. Несколько приборов выдают данные о работе системы, каждый в своем формате. Всегда требуются дополнительные усилия, чтобы синхронизировать данные и привести их к единому знаменателю. Осциллограф HDO с модулем сбора данных SAM40 экономически эффективное решение, так как заменяет несколько приборов одним, и позволяет получить консолидированное представление о производительности системы.
Используйте весь развитый математический аппарат осциллографов Teledyne LeCroy для выполнения математики, измерений, и другого анализа по всем полученным данным.
Внимание! Отсутствие ошибок и опечаток не гарантируется. В технические характеристики средств измерений неутвержденного типа производителем могут быть внесены изменения без предварительного уведомления. Соответствие важных параметров требует уточнения. Полные технические характеристики предоставляются по отдельному запросу. Нашли ошибку? Выделите мышкой и нажмите Ctrl+Enter.

.jpg)
.jpg)



