Корзина пуста
Программируемые электронные нагрузка серии АКИП-1373 с двумя режимами отбора мощности AC/DC и с возможностью испытание систем трехфазного питания
Серия программируемых электронных нагрузок АКИП-1373 пополнилась 10 новыми моделями. Нагрузки серии АКИП-1373 отличаются входными параметрами и в зависимости от входных параметров изменяются габариты и количество блоков, из которых состоит нагрузка. Основные параметры и габаритные размеры представлены в таблицах ниже.
| Модель | Напряжение | Ток | Мощность | Выход | Объедин-ение в 3Φ | Парал-лельное объедин-ение |
Парал-лельное объедин-ение в 3 Φ |
Размеры |
| АКИП-1373-1800 | 15...260 Вскз | 20 Аскз | 1800 Вт | 1Φ | да | да (9 макс.) | да (8 макс. на фазу) |
483 х 151 х 600 мм 3U |
| АКИП-1373-3600 | 50...420 Вскз | 40 Аскз | 3600 Вт | 1Φ | нет | нет | нет |
483 х 349 х 641 мм 6U |
| АКИП-1373-5400-1 | 50...420 Вскз | 60 Аскз | 5400 Вт | 1Φ | нет | нет | нет |
550 х 801 х 839 мм 15U |
| АКИП-1373-5400-2 | 50...420 Вскз | 60 Аскз | 5400 Вт | 1Φ или 3Φ | нет | нет | нет |
550 х 801 х 839 мм 15U |
| АКИП-1373-5400-3 | 50...420 Вскз | 60 Аскз | 5400 Вт | 1Φ или 3Φ | нет | нет | нет |
550 х 801 х 839 мм 15U |
| АКИП-1373-7200 | 50...420 Вскз | 80 Аскз | 7200 Вт | 1Φ | да | да (3 макс.) | нет |
550 х 1291 х 800 мм 24U |
| АКИП-1373-9000 | 50...420 Вскз | 100 Аскз | 9000 Вт | 1Φ | да | да (3 макс.) | нет |
550 х 1291 х 800 мм 24U |
| АКИП-1373-10800 | 50...420 Вскз | 120 Аскз | 10800 Вт | 1Φ | да | да (3 макс.) | нет |
550 х 1291 х 800 мм 24U |
| АКИП-1373-12600 | 50...420 Вскз | 140 Аскз | 12600 Вт | 1Φ | да | да (3 макс.) | нет |
550 х 1869 х 800 мм 37U |
| АКИП-1373-14400 | 50...420 Вскз | 160 Аскз | 14400 Вт | 1Φ | да | да (3 макс.) | нет |
550 х 1869 х 800 мм 37U |
Особенность серии АКИП-1373 заключается в наличии 2-х режимов: переменного тока (в диапазоне частот: 45…450 Гц) и постоянного тока при отборе электрической мощности. Для удобства управления и наблюдения за измерениями использован цветной графический ЖК-дисплей (диагональ 18 см). Предусмотрена внутренняя память на 10 ячеек, что позволяет выполнять запись и вызов профилей настроек. Для тестирования устройств электропитания нагрузка имеет широкий перечень измерительных функций и режимов, в т.ч. экранное меню «встроенный осциллограф» для отображения 2-х входных сигналов (ток / напряжение), обеспечение на дисплее одновременной индикации до 12 параметров. Новинка оснащена режимом измерения и анализа гармоник напряжения (до 50-й), функцией построения гистограмм контролируемого параметра.
Нагрузка АКИП-1373-1800 обеспечивает 4 основных типа стабилизации: по напряжению (режим CV), по току (СС), поддержания постоянного электрического сопротивления (CR) и электрической мощности (CP). Остальные нагрузки серии АКИП-1373 обеспечивает 3 типа стабилизации: CC, CR, CP. С целью увеличения нагрузочной мощности предусмотрена возможность параллельного соединения нескольких однотипных нагрузок для увеличения нагрузочной способности (до 9 нагрузок в зависимости от модели). Модели оснащены полным набором режимов контроля и защиты от перегрузки: OTP, ОСР, OVP, OPP, а также от пониженного напряжения (UVP).
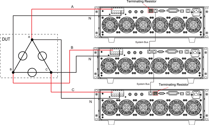
Важным преимуществом нагрузок серии АКИП-1373 является возможность коммутации нескольких однотипных нагрузок по схеме «звезда» или «треугольник» для тестирования трехфазных сетей переменного электропитания. При этом каждой нагрузке в схеме испытаний назначается «своя» нагружаемая фаза. Конструкцией предусмотрена системная шина для внутренней синхронизации в моделируемом агрегатном устройстве.
Модели АКИП-1373-5400-2 и АКИП-1373-5400-3 состоят из трех ведущих блоков, что позволяет использовать в нагрузке как 1-фазную так и 3-фазную схему подключения к тестируемому объекту. При однофазном режиме, нагрузка подключается по схеме 1 ведущий и 2 ведомых блока. При трехфазном режиме, нагрузка подключается по схеме 3 ведущих блока, при этом общая мощность нагрузки разделяется на 3 фазы. Модель АКИП-1373-5400-3 монтируется в стойку 15U.
Особенностью модели АКИП-1373-1800 является низковольтное начальное напряжение, от 15 В, тогда как остальные нагрузки работают от 50 В. Данная нагрузка оптимальна в области обнаружения и телеметрии спутника. Измерение низкоуровневого напряжения является неотъемлемой частью при испытаниях спутниковых и аэрокосмических систем. Еще одной отличительной особенностью модели АКИП-1373-1800 является возможность параллельного объединения нагрузок в трех фазную сеть, до 8 нагрузок на одну фазу, что позволяет получить до 14,4 кВт на одну фазу.
Нагрузки серии АКИП-1373 штатно имеют следующие встроенные интерфейсы для удаленного управления с помощью ПК: USB, LAN и GPIB. Также имеется порт USB на передней панели для сохранения скриншотов произведенных измерений, осциллограмм и гистограмм. На задней панели расположен интерфейс аналогового управления и контроля входных параметров с помощью внешних измерителей (выход от 0 до 10 В соответствует входным параметрам тока или напряжения от 0 до максимального Значения).
Нагрузки серии АКИП-1373 позволяют создавать испытательные системы для эффективного тестирования силовых устройств электропитания постоянного и переменного напряжения (однофазного и 3-х фазного), а также систем бортового электропитания ЛА и авионики.
Внимание! Отсутствие ошибок и опечаток не гарантируется. В технические характеристики средств измерений неутвержденного типа производителем могут быть внесены изменения без предварительного уведомления. Соответствие важных параметров требует уточнения. Полные технические характеристики предоставляются по отдельному запросу. Нашли ошибку? Выделите мышкой и нажмите Ctrl+Enter.

