Корзина пуста
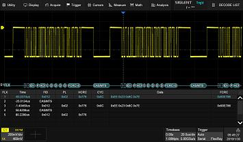
Опция SDS-5000X-Flexray
| Ключ опции SDS-5000X-Flexray | 1 шт. |
Узнать о поступлении товара
Внимание! Отсутствие ошибок и опечаток не гарантируется. В технические характеристики средств измерений неутвержденного типа производителем могут быть внесены изменения без предварительного уведомления. Соответствие важных параметров требует уточнения. Полные технические характеристики предоставляются по отдельному запросу. Нашли ошибку? Выделите мышкой и нажмите Ctrl+Enter.

